(473) 262-17-16
promkom-vrn@yandex.ru
Главная Каталог ОАО «Транспневматика» Блоки очистки и осушки сжатого воздуха Блок очистки и осушки сжатого воздуха БОСВ 1,0/9 УХЛ2 М3

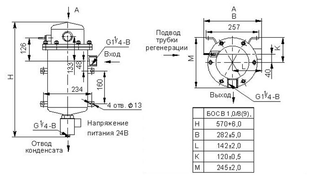
Блок очистки и осушки сжатого воздуха БОСВ 1,0/9 УХЛ2 М3

Цена: договорная Заказать

Блок очистки и осушки сжатого воздуха БОСВ 1,0/9 УХЛ2 М3

Назначение Очистка и осушка cжатого воздуха от минерального масла, воды и механических примесей перед поступлением в пневматические приборы и системы транспортных средств.

Особенности Адсорбционный, одноадсорбционный, полнопоточный, со встроенной первой ступенью очистки. Для поглощения из воздуха влаги предусмотрена вторая ступень осушки сжатого воздуха.

Режим работы Повторно- кратковременный в соответствии с режимом работы компрессора.

Примечание ТУ 3184-022-05744521-2006.