(473) 262-17-16
promkom-vrn@yandex.ru
Главная Каталог ОАО «Транспневматика» Компрессоры Компрессор ВГ 0,42/8-400 О3

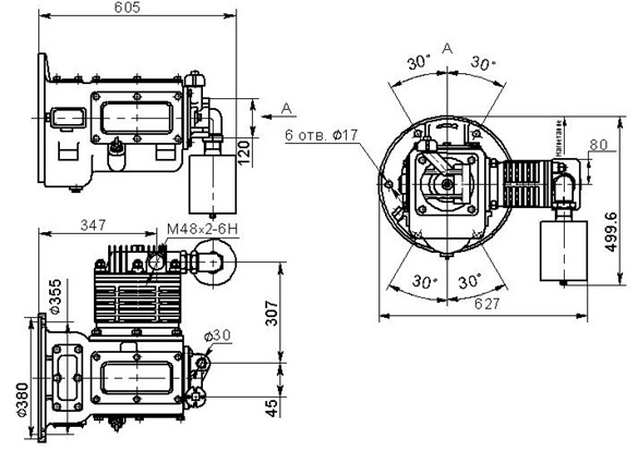
Компрессор ВГ 0,42/8-400 О3

Цена: договорная Заказать

Компрессор ВГ 0,42/8-400 О3

Назначение Снабжение сжатым воздухом тормозных систем и пневматических приборов вагонов метрополитена.

Тип компрессора Поршневой, двухцилиндровый, одноступенчатого сжатия.

Режим работы Повторно-кратковременный, с продолжительностью включения (ПВ) до 50%. Время цикла – до 10 минут.

Примечание Изготавливается по ТУ 24.05.896-89.